アナアオサ Ulva australis
 
作成者:鈴木雅大 作成日:2012年2月8日(2023年6月10日更新)
 
アナアオサ(孔石蓴)
Ulva australis Areschoug 1854: 370.
 
緑藻植物門(Phylum Chlorophyta),アオサ藻綱(Class Ulvophyceae),アオサ目(Order Ulvales),アオサ科(Family Ulvaceae),アオサ属(Genus Ulva
 
*1. 吉田(1998)「新日本海藻誌」における分類体系:緑藻綱(Class Chlorophyceae),アオサ目(Order Ulvales),アオサ科(Family Ulvaceae),アオサ属(Genus Ulva)*Ulva pertusaとして
*2. 吉田ら(2015)「日本産海藻目録(2015年改訂版)」における分類体系:緑藻綱(Class Chlorophyceae),アオサ目(Order Ulvales),アオサ科(Family Ulvaceae),アオサ属(Genus Ulva)*Ulva pertusaとして
 
掲載情報
Kraft et al. 2010: 1262. Fig. 3; Lee et al. 2019: 261. Figs 6A, 6B.
 
Heterotypic synonym
  Ulva laetevirens Areschoug 1854: 370. (Type locality: Port Phillip, Victoria, Australia. Lectotype specimen: S A2028 (Swedish Museum of Natural History))
  Ulva pertusa Kjellman 1897: 4. Pl. 1, Figs 1-5. Pl. 3, Figs 1-8; 岡村 1902: 167; 1921: 79. Pl. 169, Fig. 8. Pl. 170; 1936: 8. Fig. 3; 遠藤 1911: 208. Figs 80, 81; Yamada & Saito 1938: 36. Figs 1-4; 瀬木・後藤 1956: 56. Fig. 1; 舘脇 1994: 194, 195. Fig. 96; 千原 1998: 673, 674. Fig. 5-759; 吉田 1998: 41; Shimada et al. 2003: 102, 103. Fig. 5; 平岡・嶌田 2004: 14. Figs 2.1, 2.6B, 2.7. (Syntype localities: 北海道函館;神奈川県江ノ島;神奈川県横浜. Lectotype specimen: UPS A003782 (Museum of Evolution, Uppsala University))
  Ulva spathulata Papenfuss 1960: 309. (Type locality: Port Phillip, Victoria, Australia. Lectotype specimen: LD, Herb. Agardh 14551 (Lund University, Sweden))
 
Type locality: Port Adelaide, South Australia, on the stems of Amphibolis antarctica.
Lectotype specimen: S (Swedish Museum of Natural History)
 
分類に関するメモ:Couceiro et al. (2011) は,Ulva australisU. pertusaは系統的に区別が付かないとし,U. pertusaU. australlisの異名同種(シノニム)としました。Hanyuda & Kawai (2018)はU. australisのタイプ標本のrbcL遺伝子と核コードITS領域の部分配列を決定し,U. australis/ U. pertusaの遺伝子配列と一致又は近似することを示しました。Hughey et al. (2021) はU. pertusaU. laetevirensU. spathulataのタイプ標本のrbcL遺伝子の部分配列を決定し,これら3種が同一種としてU. australlisにまとめられることを示しました。
 
アナアオサ Ulva australis
 
アナアオサ Ulva australis
 
アナアオサ Ulva australis
撮影地:徳島県 鳴門市 北灘町 牛の鼻;撮影日:2018年4月26日;撮影者:鈴木雅大
 
アナアオサ Ulva australis
撮影地:兵庫県 洲本市 由良(淡路島);撮影日:2015年5月7日;撮影者:鈴木雅大
 
撮影地:兵庫県 洲本市 由良(淡路島);撮影日:2020年6月24日;撮影者:鈴木雅大
 
アナアオサ Ulva australis
 
アナアオサ Ulva australis
撮影地:兵庫県 洲本市 由良(淡路島);撮影日:2016年3月10日;撮影者:鈴木雅大
 
アナアオサ Ulva australis
採集地:兵庫県 神戸市 須磨区 須磨海浜公園;採集日:2016年7月15日;撮影者:鈴木雅大
 
アナアオサ Ulva australis
押し葉標本(採集地:岩手県 下閉伊郡 山田町 船越漁港;採集日:2003年8月24日;採集者:鈴木雅大)
 
アナアオサ Ulva australis
押し葉標本(採集地:兵庫県 淡路市 岩屋 絵島(淡路島);採集日:2015年4月22日;採集者:鈴木雅大)
 
潮間帯中部から低潮線下付近の岩上に生育します。体は高さ10-20 cm,仮根糸から成る小さい盤状の付着器を持ちます。葉状,セルロイド質でやや硬い手触り。円形から楕円形で縁辺はゆるく波打ちます。葉状部には大小様々の孔が空き,時に孔同士がつながって裂片となります。生時は鮮緑色です。
 
アナアオサ Ulva australis
体の縁辺部の表面観
 
アナアオサ Ulva australis
体の縁辺部の表面観のスケッチ *細胞中の○は葉緑体のピレノイドを示します。
 
体の縁辺は全縁で,鋸歯などの特別な構造を持ちません。
 
アナアオサ Ulva australis
体の表面観
 
細胞は不規則に並び,四角形又は多角形です。表面観において,細胞の長さは15~26 µm, 幅は11~20 µmです。各細胞に板状の葉緑体を1個含みます。葉緑体は1-3個のピレノイドを含みます。採集して時間が経ったり,条件が悪くなると写真のように葉緑体が細胞の縁に寄ります。葉緑体が良く動くのも本種の特徴の一つです。
 
アナアオサ Ulva australis
体の横断面
 
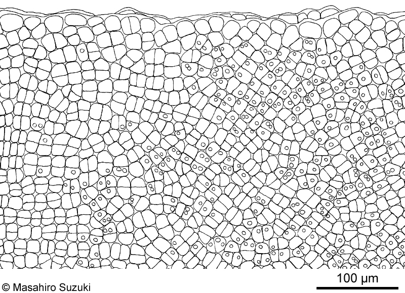
アナアオサ Ulva australis
体の横断面のスケッチ
 
体は2層の細胞層から成ります。片側の細胞層は反対側の細胞層よりも細胞が大きくなる傾向があります。体の縁辺近くでは厚さ88-104 µm,体の中央部では厚さ125-135 µmになります。
 
アナアオサ(Ulva australis)は日本の海産緑藻の中で最も良く知られた緑藻の一つと考えられます。円形から楕円形のアオサ属(Ulva) を採集すると大抵の人は「アナアオサ」と言います。実際,分布域が広く,日本各地で見られる普通種です。ところが,近年,円形から楕円形のアオサ属藻類にはアナアオサ以外にも複数の種類がいることが明らかとなり,各地で報告されているアナアオサは複数の種類を混同していることが分かりました。アナアオサの分類学的特徴は,縁辺に顕微鏡的な鋸歯がないこと,仮根状細胞が体の内側に向かって発達すること,体の厚さが100 µm以上あること,葉緑体が側壁型でピレノイドが2個以上あることです。特に体の厚さは顕著で,日本産アオサ属の中では最も厚くなる種類と考えられます。慣れてくると厚さや手触りを頼りに本種だけは確実に同定出来るようになります(注)。アナアオサに良く似たアオサ属の分類・同定は今後の課題ですが,まずは典型的なアナアオサを確実に同定出来るようになることが肝心だと思います。

注.アナアオサの中には厚さが100 µmに満たない個体もしばしばみられるため,確実な同定方法ではないと考えられます(後述)。

Couceiro et al. (2011) は,Ulva australisU. pertusaは系統的に区別が付かないとし,U. pertusaU. australlisの異名同種(シノニム)としました。Ulva pertusaはアナアオサの学名として,日本で長く用いられてきたもので,これをU. australisと同種として良いかどうか慎重に判断する必要があります。Kraft et al. (2010) による形態観察によると,U. australisの外部形態,体の厚さ,細胞の大きさや葉緑体の配置はU. pertusaと近似しています。両種の唯一の違いは,葉緑体中のピレノイドの数で,U. australisは1個の葉緑体当たり1個,U. pertusaは1個の葉緑体当たり1~3個のピレノイドを持ちます。Couceiro et al. (2011) によると,日本のU. pertusaと,Kraft et al. (2010) が用いたオーストラリアのU. australisのITS1領域とrbcL遺伝子の配列は同種とみなして良いほど近似しているため,ピレノイドの数の違いは,2種を区別する特徴にはならないのかもしれません。また,ピレノイドの数は生育条件によって変化したり,観察によって見えにくかったりするという指摘もあります(Shimada et al. 2003,平岡・嶌田 2004など)。従って,U. australisU. pertusaを別種として分ける決定的な特徴はありません。

Ulva pertusaU. australisの関係について,公開されている遺伝子配列が本当にU. australisあるいはU. pertusaのものなのかという疑義が残されていましたが,Hanyuda & Kawai (2018)はU. australisのタイプ標本のrbcL遺伝子と核コードITS領域の部分配列(rbcL: 197 bp, ITS: 114-242 bp)を決定し,U. australis/ U. pertusaの遺伝子配列と一致又は近似することを示しました。Hughey et al. (2021) はU. pertusaU. laetevirensU. spathulataのタイプ標本のrbcL遺伝子の部分配列(U. pertusa: 110 bp, U. laetevirens: 384 bp, U. spathulata: 1425 bp)を決定し,これら3種が同一種としてU. australlisにまとめられることを示しました。rbcL遺伝子の配列が短いのが気になるところですが,1800年代の標本からのDNA抽出,配列決定は難しく,4種のタイプ標本の遺伝子配列が全て揃っただけでも驚異的です。Hanyuda & Kawai (2018) が決定したITS領域においてもU. pertusaU. australisが同一種であることが示唆されていることから,アナアオサをU. australisとする結論は出たと判断して良いと考えられます。

 
薄いアナアオサ
 
アナアオサ Ulva australis
採集地:兵庫県 洲本市 由良(淡路島);採集日:2023年6月4日;撮影者:鈴木雅大
 
体の横断面 *厚さは約75 µm
 
前述の通り,アナアオサは体が厚くなる種類で,著者は横断面において厚さが100 µmになるものをアナアオサと同定してきたのですが,手触りや雰囲気がアナアオサのように思えるものの,大して厚くないアオサ類があることに気が付きました。遺伝子解析によって確認したところ,厚さが50-75 µm程度のものでもアナアオサであることが分かりました。「厚さはそこまで当てにならない」と聞いたことはあったのですが,手触りによって厚そうな個体ばかり選んで採集していたせいか,これまで厚さ100 µmに満たないアナアオサを採集したことがなく,2023年6月,淡路島由良で行った臨海実習で学生が採集してきたサンプルを観察して初めて気が付きました。今の今まで気が付かなかったことに恥じ入る次第ですが,アナアオサを形態的特徴に基づいて同定することが難しくなったことを意味しており,大変残念に思いました。厚さが100 µmに達するものは,間違いなくアナアオサと同定出来るものの,そうでないものについては原則として遺伝子解析による確認が必要と考えられます。
 
参考文献
 
Areschoug, J.E. 1854. Phyceae novae et minus cognitae in maribus extraeuropaeis collectae. Nova Acta Regiae Societatis Scientiarum Upsaliensis, series 3 1: 329-372.
 
千原光雄 1998. 第5章 海の藻類 第8節 2-3. アオサ目 Ulvales.In: 千葉県史料研究財団(編)千葉県の自然誌本編4 千葉県の植物1.pp. 673-675. 千葉県.
 
Couceiro, L., Cremades, J. and Barreiro, R. 2011. Evidence for multiple introductions of the Pacific green alga Ulva australis Areschoug (Ulvales, Chlorophyta) to the Iberian Peninsula. Botanica Marina 54: 391-402.
 
Guiry, M. D. and Guiry, G. M. 2021. AlgaeBase. World-wide electronic publication, National University of Ireland, Galway. https://www.algaebase.org; searched on 5 January 2021.
 
Hanyuda, T. and Kawai, H. 2018. Genetic examination of the type specimen of Ulva australis suggests that it was introduced to Australia. Phycological Research 66: 238-241.
 
Hughey, J.R., Gabrielson, P.W., Maggs, C.A., Mineur, F. and Miller, K.A. 2021. Taxonomic revisions based on genetic analysis of type specimens of Ulva conglobata, U. laetevirens, U. pertusa and U. spathulata (Ulvales, Chlorophyta). Phycological Research 69: 148-153.
 
平岡雅規・嶌田 智 2004. アオサ類・アオノリ類. In: 大野正夫 編著 有用海藻誌.pp. 14-30. 内田老鶴圃,東京.
 
Kjellman, F. R. 1897. Marina Chlorophyceer fran Japan. Bihang til Kongliga Svenska Vetenskaps-Akademiens Handlingar Afd. 3. 23: 1-44.
 
Lee, H.W., Kang, J.C. and Kim, M.S. 2019. Taxonomy of Ulva causing blooms from Jeju Island, Korea with new species, Ulva pseud-ohnoi sp. nov. (Ulvales, Chlorophyta). Algae 34: 253-266.
 
岡村金太郎 1902. 日本藻類名彙.276 pp. 敬業社,東京.
 
岡村金太郎 1921. 日本藻類圖譜 第4巻 第4集.東京.*自費出版
 
岡村金太郎 1936. 日本海藻誌.964 pp. 内田老鶴圃,東京.
 
Papenfuss, G.F. 1960. On the genera of the Ulvales and the status of the order. Journal of the Linnean Society of London, Botany 56: 303-318.
 
瀬木紀男・後藤和四郎 1956. 青海苔とその養殖に就いて.I. 青海苔の種類・性状と生活史.藻類 4: 55-60.
 
Shimada, S., Hiraoka, M., Nabata, S., Iima, M. and Masuda, M. 2003. Molecular phylogenetic analyses of the Japanese Ulva and Enteromorpha (Ulvales, Ulvophyceae), with special reference to free-forming Ulva. Phycological Research 51: 99-108.
 
舘脇正和 1994. Ulva pertusa Kjellman(アナアオサ).In: 堀 輝三(編) 藻類の生活史集成 第1巻 緑色藻類.pp. 194, 195. 内田老鶴圃,東京.
 
Yamada, Y. and Saito, E. 1938. On some culture experiments with the swarmers of certain species belonging to the Ulvaceae. Scientific Papers of the Institute of Algological Research, Faculty of Science, Hokkaido Imperial University 2: 35-51.
 
遠藤吉三郎 1911. 海産植物学.748 pp. 博文館,東京.
 
吉田忠生 1998. 新日本海藻誌.1222 pp. 内田老鶴圃,東京.
 
吉田忠生・鈴木雅大・吉永一男 2015. 日本産海藻目録(2015年改訂版).藻類 63: 129-189.
 
 
写真で見る生物の系統と分類真核生物ドメインスーパーグループ アーケプラスチダ緑色植物亜界アオサ藻綱アオサ目アオサ科
 
日本産海藻リスト緑藻植物門アオサ藻綱アオサ目アオサ科アオサ属アナアオサ
 
「生きもの好きの語る自然誌」のトップに戻る